
Recently, Shanghai ANTISHICNC received an inquiry from a Slovakian customer, a leading global automotive and industrial supplier. The customer makes a significant contribution to transportation with its precision components and systems for engines, transmissions, and chassis, as well as its roller and plain bearing solutions for various industrial applications, and is one of the most influential bearing suppliers in the region. The customer needs to process three different sizes of bearings, and has very high requirements for machine precision and tolerances: CMK > 1.67, surface roughness 0~0.8μm, roundness 2μm, cylindricity 3μm, grinding allowance 0.320~0.400, processing 4 parts per cycle with a cycle time of 22 seconds ± 10%, including workpiece loading and unloading time and grinding wheel feed dressing intervals. Automated production is also required. Based on these high standards and requirements, we recommended our specialized machine: the high-precision CNC centerless grinder HCGM-5025 (7-axis servo). This machine can meet all the customer’s needs in one go, and is capable of infeed grinding of cones with a taper smaller than 1:20 and various shaped rotating parts. We have already sent the solution to the customer’s team, and they have indicated that our machine meets all their high-quality standards. We are currently finalizing the details of the solution and believe a contract will be signed soon!
The ANTISHICNC HCGM-52025 (7-axis servo) centerless grinder utilizes high-grade HT300 cast iron, undergoing natural aging and multiple tempering treatments to create a stable internal structure, ensuring robustness and wear resistance during use. Its rational mechanical design and superior materials guarantee minimal deformation and exceptional durability. It employs a 500mm outer diameter grinding wheel with a maximum width of 200mm, providing strong cutting force. The grinding wheel spindle features a cantilever structure with a relatively large diameter, offering high rotational accuracy and rigidity. The grinding wheel spindle uses SKF rolling bearings. The guide wheel spindle is double-supported, with the main structure directly driven by an electric spindle and SKF double-row cylindrical roller bearings, ensuring ultra-high rotational accuracy. The upper and lower slide feeds of the guide wheel head are driven by servo motors using ball screw mechanisms. The feed guideways are high-rigidity M/V type guideways, driven by high-resolution servo motors, achieving high precision in micro-feeds, with a minimum feed amount of 0.0001mm. The grinding wheel dresser uses M/V type guideways, and both feed and reciprocating motions are driven by servo motors using ball screw mechanisms, allowing for arbitrary dressing of steps. It features automatic compensation for grinding wheel dressing. Maintenance is convenient, with a minimum feed rate of 0.0001mm and online compensation capabilities. The grinding wheel dresser’s diamond roller rotation is controlled by a servo motor, ensuring high stability. The operating system uses the Siemens 828D system, featuring an automatic entry grinding program. Feed rate, speed, time, and step difference are all adjustable. Combining domestic and international grinding machine control technologies, it boasts a professional touchscreen control interface design, simple operation, and ease of learning and use, greatly improving work efficiency. It is equipped with a two-stage filtration system, including a paper bag and magnetic separator, ensuring high filtration accuracy. The equipment uses a fully enclosed casing, effectively preventing water mist splashing in the grinding zone.
- The relevant parameters of the HCGM-5025 (seven-axis servo) centerless grinder are as follows:
| Main technical parameters | HCGM-5025 (7-axis servo) |
| Plunge-feed | |
| Grinding diameter | 2~60mm |
| Grinding length(standard workrest) | 190mm |
| Through-feed | |
| Grinding diameter | 2~60mm |
| Grinding length(standard workrest) | 200mm |
| Maximum grinding wheel Spec.(O.D.*width*I.D.) | 500×200×305mm |
| MaximumRegulating wheel Spec.(O.D.*width*I.D.) | 350×200×203mm |
| Linear speed of grinding wheel | ≥35m/s |
| Regulating wheel speed(Stepless) | 10-200r/min |
| Swiveling Angle of regulating wheel | |
| Vertical | -2°~+5° |
| Horizontal | -1°~+3° |
| Regulating wheel min feed amount | 0.0001mm |
| Grinding wheel dressermin feed amount | 0.0001mm |
| Height from center line of gri.wheel& reg.wheel to workrest | 200mm |
| Coolant Flow Rate | 50L/min |
| Motor power | |
| Grinding wheel motor | 15KW |
| Regulating wheel motor | 4KW |
| Power Supply | 3N 380V 50HZ |
| Dimension(L*W*H) | 3026×1380×1850mm |
| Machine Weight | About 6000Kg |
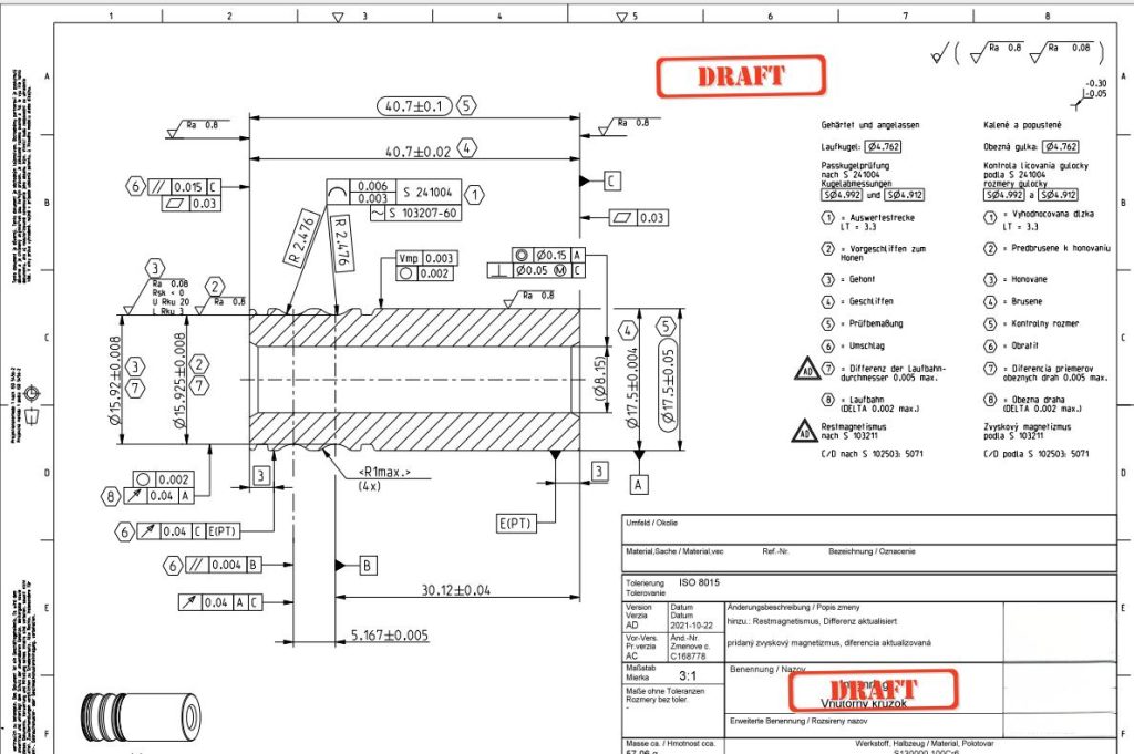
- The customer’s workpiece drawing is as follows:

- The grinding diagram (highlighted in red) provided by the engineer based on the drawings is as follows:

ANTISHICNC provided a professional response to the customer’s requirements above, ultimately quoting the HCGM-5025 (7-axis servo) centerless grinder, which was well-received by the customer. If you have similar needs, please contact Shanghai Antishi: contact@antsmachine.com. We not only offer high-precision centerless grinders, but also cylindrical grinders, tool grinders, surface grinders, and other products. Our technical team can certainly match the most suitable technical solution for your needs.
Keywords: 7-axis servo centerless grinder, surface grinder, cylindrical grinder, tool grinder, etc.


